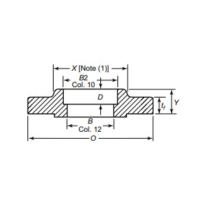
O flange de soldagem de soquete redefine as conexões de tubulações de alta pressão, integrando resistência superior com dinâmica de fluidos contínua, projetada para oferecer desempenho incomparável em aplicações compactas e de alto risco. Projetado para tubos de pequeno diâmetro, este flange emprega uma configuração de soldagem de encaixe que encapsula a junta de solda dentro do próprio flange, eliminando saliências externas de solda e minimizando a resistência ao fluxo – uma vantagem crítica em sistemas onde a redução de turbulência e a higiene são fundamentais. A solda oculta não apenas agiliza a limpeza e a inspeção em ambientes estéreis, como fábricas farmacêuticas ou de processamento de alimentos, mas também melhora a integridade estrutural, resistindo a vibrações e picos de pressão em refinarias de petróleo e gás, reatores químicos ou linhas de vapor de alta pressão. Usinado com precisão em aço carbono forjado ou aço inoxidável, combina resistência à corrosão com excepcional resistência à tração, garantindo vedação à prova de vazamentos mesmo sob temperaturas e pressões extremas.
| Faixa de diâmetro | DN15(1/2")-DN150(6") |
| Classificação de pressão | 1,6-16MPa |
| Certificado | PED, AD2000, EAC, ABS, BV, DNV, NORSOK M650, ISO9001, ISO14001, ISO45001, etc. |
| Introdução à função | Conexão de soldagem por soquete, O design de solda oculto reduz a resistência ao fluxo, Otimizado para aplicações de alta pressão de pequeno diâmetro, Desempenho de vedação superior |
| Campos de aplicação | Aplicável a conexões de flange de tubos em oleodutos e gasodutos de longa distância, plataformas offshore, equipamentos químicos, sistemas de tratamento de água e indústrias alimentícias e farmacêuticas, adaptados a condições de trabalho complexas. |
| Embalagem | Pacote em condições de navegar, caixas de madeira compensada ou palete ou conforme a necessidade do cliente |
| Produtos em destaque | 1、Pedido mínimo de lote pequeno; |
Seu design compacto simplifica a instalação em espaços apertados, enquanto a conexão robusta resiste à expansão térmica cíclica, tornando-o ideal para plataformas offshore, turbinas de geração de energia e sistemas hidráulicos. Ao eliminar potenciais pontos fracos e reduzir os ciclos de manutenção, este flange permite que as indústrias priorizem a segurança sem comprometer a eficiência. Apoiado pela conformidade com os padrões ASME B16.5 e rigorosos testes não destrutivos, garante confiabilidade em operações de missão crítica. Para engenheiros que buscam uma solução compacta e de alta pressão que combine durabilidade com otimização de fluidos, o flange de solda de soquete é a escolha definitiva. Eleve sua infraestrutura hoje mesmo com nossos flanges projetados com precisão – onde a inovação encontra a resiliência, permitindo que seus sistemas funcionem com precisão, segurança e confiança inabalável. Escolha a excelência, escolha a resistência e transforme o potencial do seu pipeline.
Desde a matéria-prima até a entrega final, mantemos um controle rigoroso em todas as etapas para garantir durabilidade, desempenho e consistência.
01
02
03
04
05
06
07
08
09
10
11
12
