O Lap Joint Flange redefine a flexibilidade em sistemas de tubulação, oferecendo uma solução dinâmica para gerenciar tensões térmicas de expansão e contração, ao mesmo tempo que permite a desmontagem perfeita em aplicações de baixa pressão. Combinando um anel de flange robusto com um componente flangeado giratório, este design inovador permite o movimento axial controlado das tubulações, absorvendo efetivamente as mudanças induzidas pela temperatura sem comprometer a integridade estrutural. Disponível em duas configurações – tipo anel de solda de topo (PJ/SE) para juntas soldadas de alta precisão e tipo anel de solda plano (PJ/RJ) para instalação simplificada – ele atende a diversas necessidades operacionais, mantendo o desempenho à prova de vazamentos. Projetado em aço carbono ou aço inoxidável premium, o flange resiste à corrosão e ao desgaste mecânico, garantindo confiabilidade em setores como processamento químico, tratamento de água e produção de alimentos, onde manutenção frequente ou atualizações de equipamentos são rotina.
| Diâmetro | DN50(2")-DN2000(80") |
| Pressão | 0,6-2,5MPa |
| Certificado | PED, AD2000, EAC, ABS, BV, DNV, NORSOK M650, ISO9001, ISO14001, ISO45001, etc. |
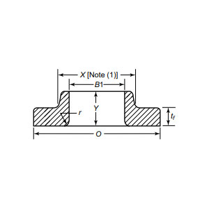
| Introdução à função | Combinado com anel de flange e flangeamento, permite o deslocamento axial da tubulação e reduz a tensão de expansão térmica. Tipos: anel de solda topo a topo (PJ/SE) e anel de solda plano (PJ/RJ). Adequado para tubulações de baixa pressão que requerem desmontagens frequentes. |
| Campos de aplicação | Aplicável a conexões de flange de tubos em oleodutos e gasodutos de longa distância, plataformas offshore, equipamentos químicos, sistemas de tratamento de água e indústrias alimentícias e farmacêuticas, adaptados a condições de trabalho complexas. |
| Embalagem | Pacote em condições de navegar, caixas de madeira compensada ou palete ou conforme a necessidade do cliente |
| Produtos em destaque | 1、Pedido mínimo de lote pequeno; |
Seu mecanismo rotativo simplifica o alinhamento durante a montagem, reduzindo os custos de mão de obra e o tempo de inatividade em sistemas como máquinas hidráulicas, redes HVAC ou configurações industriais modulares. Ao isolar o movimento do flange da tensão da tubulação, prolonga-se a vida útil das juntas e dos parafusos, reduzindo as despesas de substituição a longo prazo. Desde plataformas offshore que exigem compensação térmica até fábricas farmacêuticas que necessitam de conexões estéreis e fáceis de limpar, o flange de junta sobreposta garante a conformidade com os padrões ASME e EN, ao mesmo tempo que se adapta às crescentes demandas operacionais. Apoiado por testes rigorosos e compatibilidade versátil, ele capacita os engenheiros a projetar infraestruturas resilientes e prontas para o futuro. Atualize hoje mesmo seus sistemas de tubulação com nossos flanges de junta sobreposta – onde a engenharia de precisão encontra a resistência adaptativa, permitindo que suas operações prosperem em ambientes dinâmicos. Escolha flexibilidade, escolha resistência e desbloqueie uma nova era de eficiência.
Desde a matéria-prima até a entrega final, mantemos um controle rigoroso em todas as etapas para garantir durabilidade, desempenho e consistência.
01
02
03
04
05
06
07
08
09
10
11
12
