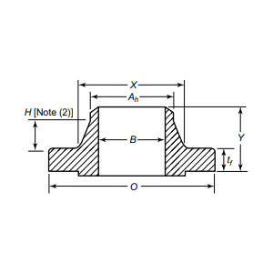
O flange de pescoço soldado é a solução definitiva para ambientes de alta pressão e alta temperatura, projetado para oferecer confiabilidade incomparável por meio de sua conexão soldada de topo robusta e superfície de vedação fabricada com precisão. Projetado para aplicações críticas, esse flange integra-se perfeitamente às tubulações por meio de uma solda de topo com penetração total, criando uma estrutura monolítica que resiste a pressões extremas, flutuações térmicas e estresse mecânico, tornando-o indispensável em refinarias de petróleo, plantas petroquímicas e sistemas de energia nuclear. O seu design de pescoço cónico não só reforça a integridade estrutural, mas também minimiza a concentração de tensões, garantindo um desempenho a longo prazo em condições exigentes. O processo de produção - abrangendo forjamento avançado, tratamento térmico para alívio de tensões, acabamento de precisão, testes não destrutivos (NDT) rigorosos e tratamentos de superfície anticorrosivos - garante um componente que excede os padrões da indústria em termos de segurança e durabilidade.
| Diâmetro | DN15(1/2")-DN3500(138") |
| Pressão | 0,25-25 MPa |
| Certificado | PED, AD2000, EAC, ABS, BV, DNV, NORSOK M650, ISO9001, ISO14001, ISO45001, etc. |
| Introdução à função | A conexão de solda de topo fornece vedação de alta resistência para aplicações de alta pressão (HP) e alta temperatura (HT), garantindo desempenho à prova de vazamentos sob condições extremas |
| Campos de aplicação | Aplicável a conexões de flange de tubos em oleodutos e gasodutos de longa distância, plataformas offshore, equipamentos químicos, sistemas de tratamento de água e indústrias alimentícias e farmacêuticas, adaptados a condições de trabalho complexas. |
| Embalagem | Pacote em condições de navegar, caixas de madeira compensada ou palete ou conforme a necessidade do cliente |
| Produtos em destaque | 1、Pedido mínimo de lote pequeno; |
Desde tubulações submarinas que suportam água do mar corrosiva até turbinas a vapor operando em temperaturas escaldantes, o flange de pescoço soldado garante vedação à prova de vazamentos e continuidade operacional. As indústrias que exigem qualidade intransigente, como sistemas de fluidos aeroespaciais ou armazenamento criogênico, confiam em sua capacidade de manter a integridade sob carregamento cíclico e exposição a meios severos. Ao combinar a resiliência superior do material com a engenharia de precisão, este flange reduz os custos do ciclo de vida através da minimização do tempo de inatividade e da manutenção. Para engenheiros encarregados de proteger infraestruturas de alto risco, o Weld Neck Flange é a escolha definitiva. Eleve o desempenho do seu sistema hoje mesmo com nossos flanges de pescoço soldados premium - onde a fabricação de ponta encontra a resiliência de nível industrial, capacitando suas operações para superar os extremos de pressão, temperatura e tempo. Escolha a excelência, escolha a resistência e construa uma base preparada para o futuro para seus sistemas críticos.
Desde a matéria-prima até a entrega final, mantemos um controle rigoroso em todas as etapas para garantir durabilidade, desempenho e consistência.
01
02
03
04
05
06
07
08
09
10
11
12
